
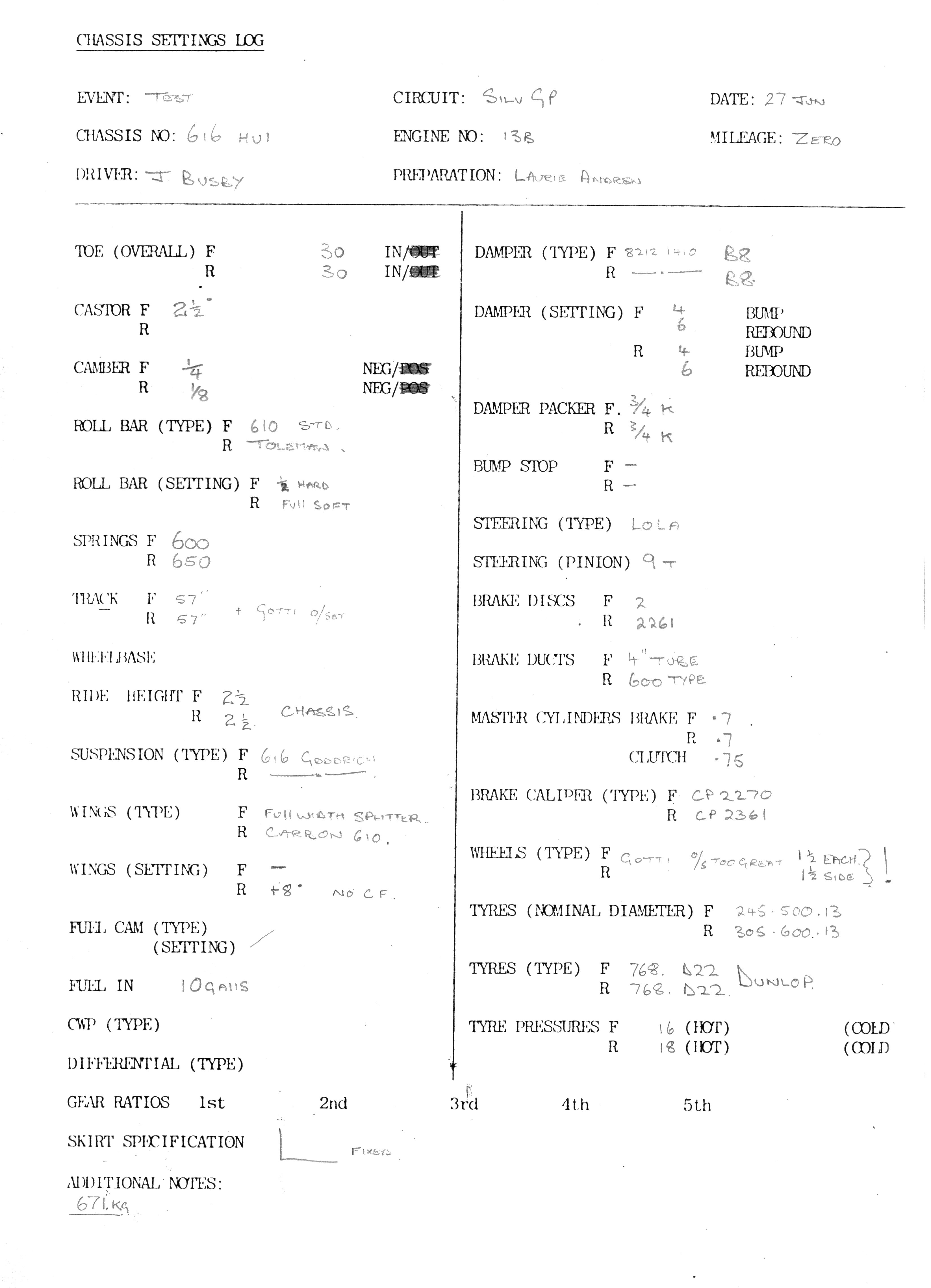
Following the mixed success of the T600 and T610 Lola's new design for IMSA and FIA Group C was the T616 and the four cars constructed were fitted with slightly unusual engines. The first three cars HU 616/1, HU 616/2 and HU 616/3 were fitted with the twin rotor Mazda 13B Wankel engine and HU 616/4 had the very interesting Polimotor "plastic" engine.
• T616 Construction details etc. - See the T616 Brochure and the Autosport article below.
• Mazda Engine details etc. – See the Mazda Press Release below.
• Polimotor engine details etc. – Download the Polimotor Brochure zip file below.
• BF Goodrich tyres – See the BF Goodrich Press Release below.
The Mazda-engined cars proved to be very competitive in the C2 class taking the Class win at Le Mans and the Monza 1000kms as well as finishing second at the Nurburgring 1000kms and the Fuji 1000kms as as well as third at Le Mans to back up the Class win. Some good results were also obtained in the IMSA races for the BF Goodrich team despite only competing in five of the seventeen rounds and facing much more powerful opposition. Running in the GTP class the team took 5th and 6th at the Miami 3 Hours, 5th at the 6Hours of Watkins Glen and 8th at the 500kms of Mid-Ohio. In 1985 the cars were run by the Kendall Racing team without much in the way of results. The Polimotor car, which was effectively a mobile test bed, didn't score any great result but the company learnt a lot from their racing and they continued in 1985.
Year(s) of Construction: 1983
Total Built: 4

DATE |
VENUE/MEETING |
DRIVER |
NOTES |
|---|---|---|---|
| 23rd April | Monza 1000kms | Jim Busby, Rick Knoop | First in C2 class (8th overall) |
| 17th June | Le Mans – 24 Hours | Yoshimi Katayama/John Morton/John O'Steen | First in C2 class (10th overall) |



















































